上海国家会展中心

2026年6月9-11日

上海国家会展中心

2026年6月9-11日

当前位置:首页 » 新闻资讯 » 行业热点 » 《给水用不锈钢管道安装技术规程》(修订版)正式发布

《给水用不锈钢管道安装技术规程》(修订版)正式发布

《给水用不锈钢管道安装技术规程》(修订版)正式发布-
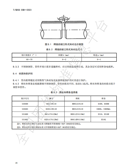
《给水用不锈钢管道安装技术规程》(修订版)正式发布-
《给水用不锈钢管道安装技术规程》(修订版)正式发布-
《给水用不锈钢管道安装技术规程》(修订版)正式发布-
《给水用不锈钢管道安装技术规程》(修订版)正式发布-
《给水用不锈钢管道安装技术规程》(修订版)正式发布-
《给水用不锈钢管道安装技术规程》(修订版)正式发布-
《给水用不锈钢管道安装技术规程》(修订版)正式发布-
《给水用不锈钢管道安装技术规程》(修订版)正式发布-
《给水用不锈钢管道安装技术规程》(修订版)正式发布-
《给水用不锈钢管道安装技术规程》(修订版)正式发布-
《给水用不锈钢管道安装技术规程》(修订版)正式发布-
《给水用不锈钢管道安装技术规程》(修订版)正式发布-
《给水用不锈钢管道安装技术规程》(修订版)正式发布-
《给水用不锈钢管道安装技术规程》(修订版)正式发布-
《给水用不锈钢管道安装技术规程》(修订版)正式发布-
《给水用不锈钢管道安装技术规程》(修订版)正式发布-
《给水用不锈钢管道安装技术规程》(修订版)正式发布-
《给水用不锈钢管道安装技术规程》(修订版)正式发布-
《给水用不锈钢管道安装技术规程》(修订版)正式发布-
《给水用不锈钢管道安装技术规程》(修订版)正式发布-
《给水用不锈钢管道安装技术规程》(修订版)正式发布-
《给水用不锈钢管道安装技术规程》(修订版)正式发布-
《给水用不锈钢管道安装技术规程》(修订版)正式发布-
《给水用不锈钢管道安装技术规程》(修订版)正式发布-
《给水用不锈钢管道安装技术规程》(修订版)正式发布-
《给水用不锈钢管道安装技术规程》(修订版)正式发布-
《给水用不锈钢管道安装技术规程》(修订版)正式发布-
《给水用不锈钢管道安装技术规程》(修订版)正式发布-
《给水用不锈钢管道安装技术规程》(修订版)正式发布-
《给水用不锈钢管道安装技术规程》(修订版)正式发布-
《给水用不锈钢管道安装技术规程》(修订版)正式发布-
《给水用不锈钢管道安装技术规程》(修订版)正式发布-
《给水用不锈钢管道安装技术规程》(修订版)正式发布-
《给水用不锈钢管道安装技术规程》(修订版)正式发布-
《给水用不锈钢管道安装技术规程》(修订版)正式发布-

此网站新闻内容及使用图片均来自网络,仅供读者参考,版权归作者所有,如有侵权或冒犯,请联系删除,联系电话:021 3323 6280

联系我们
  • 公众号二维码
  • 官方客服号二维码
地址:上海市闵行区金雨路55号虹桥525创意园A座
  • 参观咨询

    400 069 0052

  • 项目合作

    +86 21 3323 6211

  • 市场合作

    +86 21 3323 6359

  • 参展咨询

    +86 21 3323 6236

主办机构
  • 中华环保联合会
  • 中国节能协会
  • 荷瑞
  • informa
协办机构
  • 协办机构-荷祥
支持机构
  • 支持机构-上海钢管行业协会

@2024 上海荷祥会展有限公司 版权所有 沪ICP备20012314号-13

沪公网安备 31011202004124号